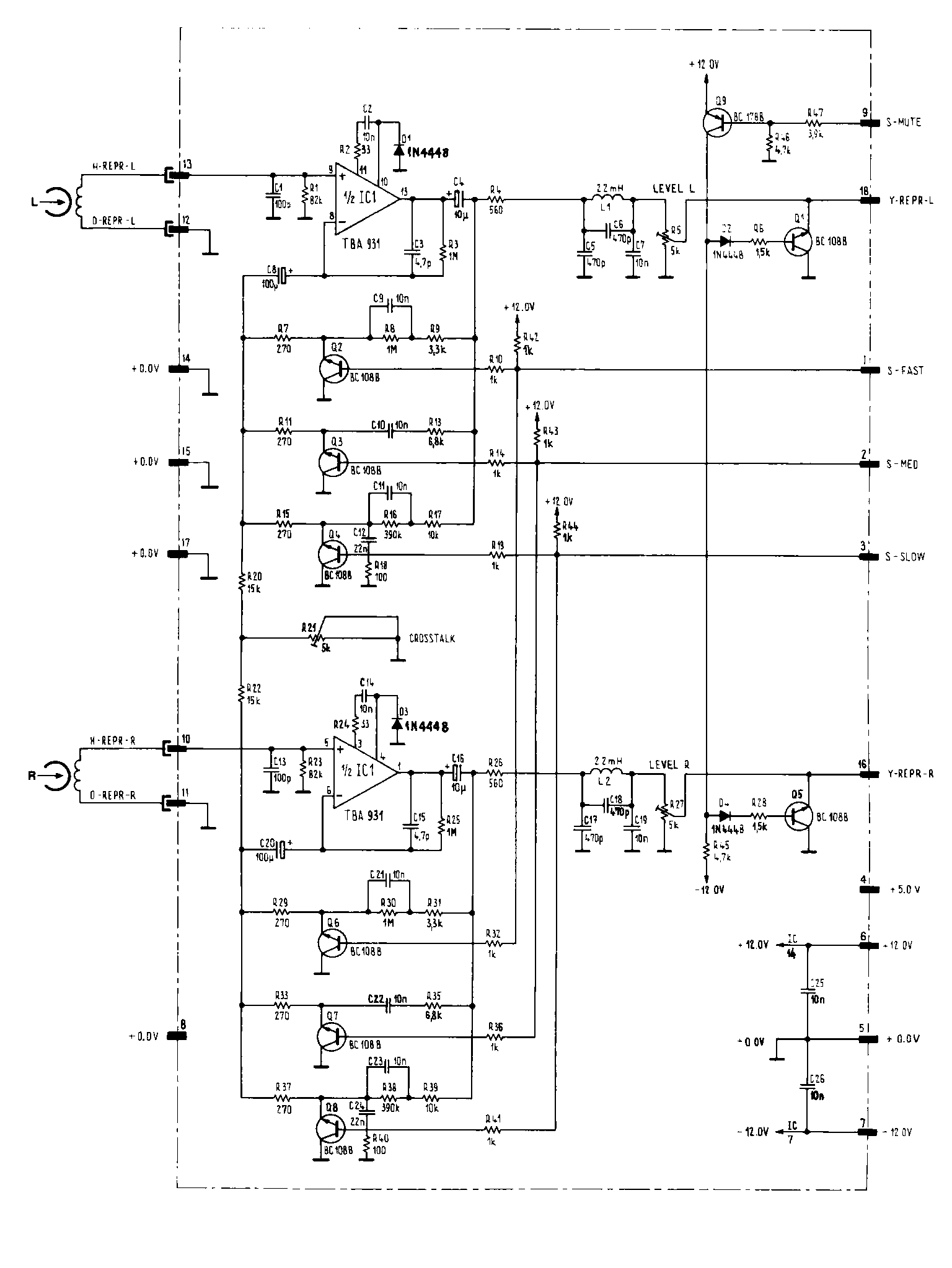
На 179 . Вот пример правильного применения ключей - из Ревокса А700 . А именно - не прохождение через них полезного сигнала , а подключения и отключения цепей путем закорачивания на " массу " . На Э - 003 , 004 сделано именно так , и плевать что там стояли 155ЛА8 , - проблем там в принципе быть не могло . Самое интересное . что все " кулибины " ставили " правильные " ключи на прохождение сигнала ! И конечно же ОУ " некаканый " вместо наших " каканых " на линейное усиление . Вот такой вот уровень !
Архив Форума Hi-Fi.ru
По 23-5-2020
Портал Hi-Fi.ru более не предоставляет возможностей и сервисов по общению пользователей
По 23-5-2020
Портал Hi-Fi.ru более не предоставляет возможностей и сервисов по общению пользователей
отечественные деки.
|
30-05-2010 22:58:27
|
|
|
|
|
|
31-05-2010 03:30:12
Дочитал, и уже притомился слегка. Напишу вкратце. Что меня поразило, так это фото Феникса в начале, я его за сверлильный станок принял, но приглядевшись узрел деку, с украденными мотивами дизайна. Еще тут все обошли вниманием американскую аппаратуру. А ведь если взять обсуждаемую ценовую категорию, и года, то выходит что большинство сделано по ОЕМ в Японии или мейд ин ЮСА оф америкен енд импортед компонентс. А вскроешь, так всё Джапан.Это уже потом пошла Корея И Чайна. Но звук всё равно отличается от японского, делали по своим спецификациям. То что тут схемы выкладывают прекрасныее советской аппаратуры, так это ни о чём не говорит, только о хорошей теории и понимании самого процесса. А звука то нет! Частотка может есть, стандарты соблюдены, а звук - какашка. Конечно я утрирую, но смысл остаётся. Звук в отличие от Толи Петрова я сам стал улучшать позже, в 9 классе,( до этого всякие цветомузыки ваял ) С небольшими переделками Эл -302( черная, с квадрадной решеткой, движок Мицуи, голова венгерская, сам аппарат вроде как с Телефункена спизжен ) переигрывала всех имеющихся в сфере сравнения импортных одноклассников, получив заодно встроенный блок питания ( На ДИНовском разъеме ), ну и нормальную перемотку конечно. А из катушечников мне Ростовы нравились. Сравнение к черному курсу доллара мне не понравилось, так как жили в анклаве, да и сейчас в общем-то, лучше сравнивать к уровню зарплаты, а еще лучше к её остатку после уплаты обременений. Получается техника СССР самая дорогая среди одноклассников. Зато Гагарина запустили. "Словно вдоль по Питерской"
"Трупы дней устилали мой путь, и я плачу над ними."
|
|
|
|
|
|
31-05-2010 04:10:39
И ещё.При позднем Брежневе на импорт гнали всё что можно и не можно, только деки никто не покупал.
"Трупы дней устилали мой путь, и я плачу над ними."
|
|
|
|
|
|
31-05-2010 11:25:50
|
|||
|
|
|
|
31-05-2010 11:26:35
Фрязинский завод тоже был "ящиком", закрытым на все замки. Сам там покупал свою "трешку" по записке директору. |
|||
|
|
|
|
31-05-2010 11:40:43
|
|||
|
|
|
|
31-05-2010 11:47:50
|
|||
|
|
|
|
31-05-2010 11:59:02
|
|||||
|
|
|
|
31-05-2010 13:10:18
|
||||
|
|
|
|||
Архив Форума Hi-Fi.ru
По 23-5-2020
Портал Hi-Fi.ru более не предоставляет возможностей и сервисов по общению пользователей
По 23-5-2020
Портал Hi-Fi.ru более не предоставляет возможностей и сервисов по общению пользователей

