Комплект голов как и говорил идентичен в обоих аппаратах
Архив Форума Hi-Fi.ru
По 23-5-2020
Портал Hi-Fi.ru более не предоставляет возможностей и сервисов по общению пользователей
По 23-5-2020
Портал Hi-Fi.ru более не предоставляет возможностей и сервисов по общению пользователей
Деки NAKAMICHI, Настройка и обсуждение (Part 2)
|
02-04-2018 14:52:00
|
|
|
|
|
|
02-04-2018 14:53:41
Лентопротяжный механизм одинаков в обоих аппаратах
с возможностью оперативной регулировки скорости транспортирования ленты в пределах +- 6%
Изменено: - 02-04-2018 14:54:51
|
|
|
|
|
|
02-04-2018 15:19:14
В большинстве дек II-го поклонения типы лент переключаются механически Ничего Как то пишут |
|||
|
|
|
|
02-04-2018 15:20:22
Просто фотачка ...
|
|
|
|
|
|
02-04-2018 15:21:44
|
|||
|
|
|
|
02-04-2018 15:30:30
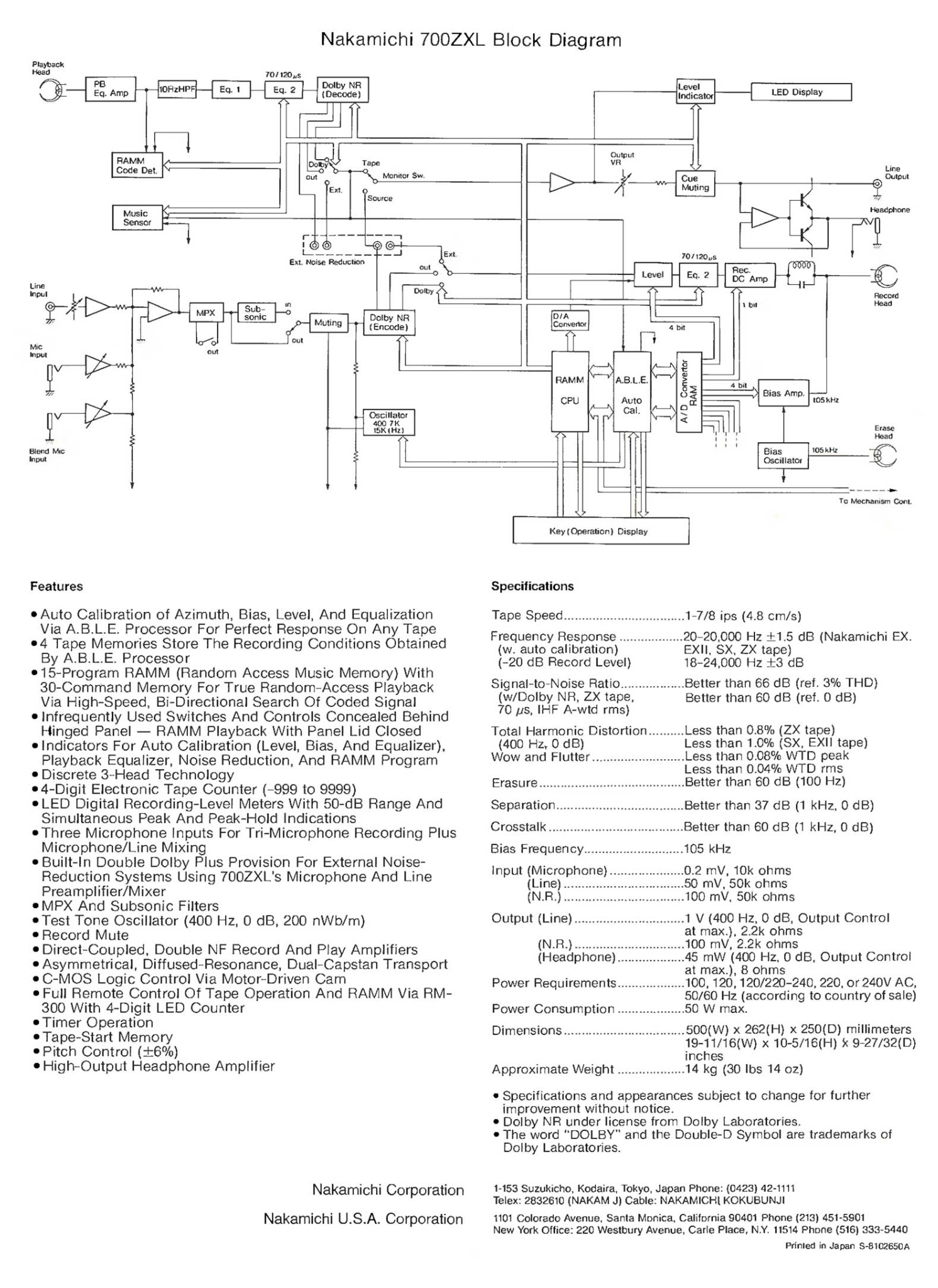
Из брошюры 700ZXE
|
|
|
|
|
|
02-04-2018 15:31:06
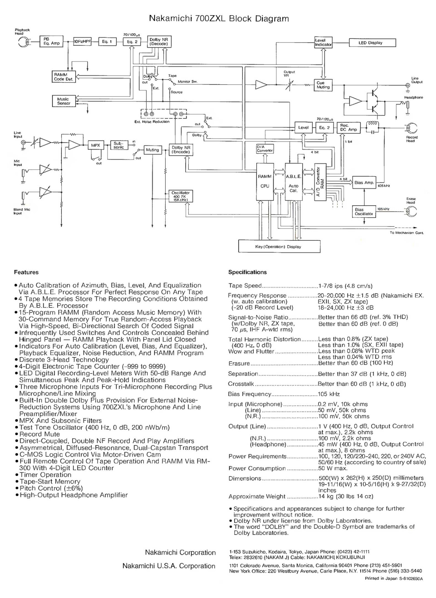
Из брошюры 700ZXL
|
|
|
|
|
Архив Форума Hi-Fi.ru
По 23-5-2020
Портал Hi-Fi.ru более не предоставляет возможностей и сервисов по общению пользователей
По 23-5-2020
Портал Hi-Fi.ru более не предоставляет возможностей и сервисов по общению пользователей
