Архив Форума Hi-Fi.ru
По 23-5-2020
Портал Hi-Fi.ru более не предоставляет возможностей и сервисов по общению пользователей


Страницы: Пред. 1 ... 420 421 422 423 424 ... 1099 След.

Деки NAKAMICHI, Настройка и обсуждение (Part 2)

 
 
Да, согласен, а то зачем все это любителям дек Nakamichi
Хай-Энд -это законный способ кайфануть)) Но если это надоест, то и неплохо то же.
 
 
Скажите, а чем отличается 700ZXE  от  700ZXL ?     И есть ли серьезные отличия в пользу последней?
 
 
механика очень похожа,а вот электроника сильно переработанна.
уже ближе к 1000,последний настраивает ленту поканально,700 общая настройка,на обе дорожки.
 
 
Цитата
Станислав написал:
Звук весьма средний.
в сасд вполне достойно,правда сравнивал с Крел и Мак.
По сд как транспорт хорош,аналоговый выход унылое г...
По ДАТ,использую сони1000,уже лет 20.Доволен.
Писал с САСД и редкие компакты,ну и с винила.
Сейчас винил пишу только на кассетник,для прослушивания на наушники в спальне.
 
 
Семен
Поскольку вопрос адресован к неопределенному кругу заинтересованных лиц,
позволю себе ответить.

Начнем с цен на оба аппарата
В каталоге товаров Накамичи за 1981 год рекомендованные
производителем розничные цены составляли
3000$ за 700ZXL
и 2400$ за 700ZXE
 
 
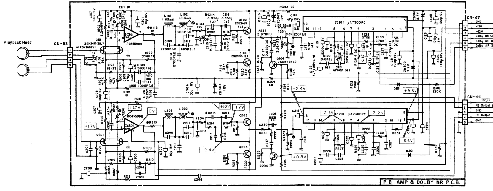
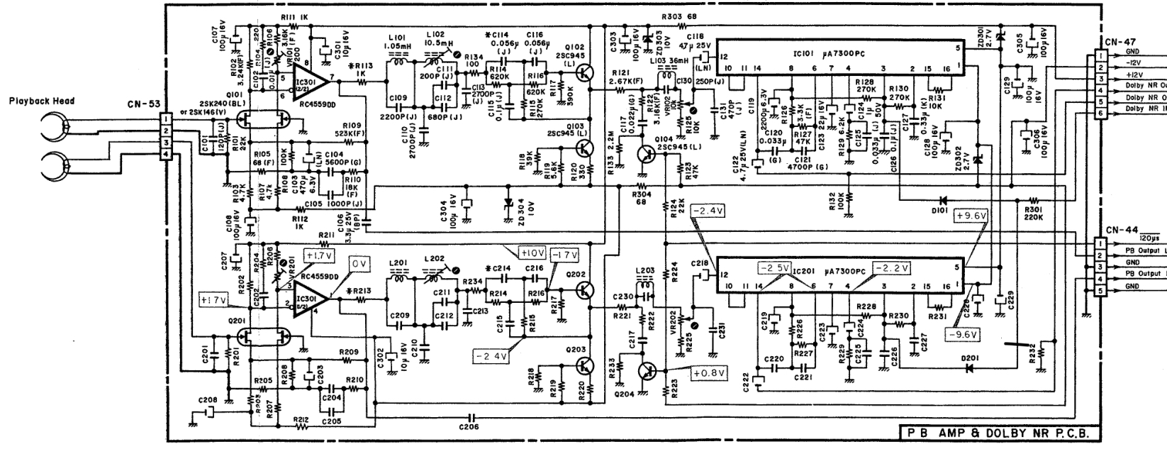
Тракт воспроизведения
1. Головки воспроизведения P-8L (с индексом Z) с шириной зазора 0,6 микрон
одинаковые в обоих аппаратах (отбор по геметрии зазоров и идентичности параметров в каналах)
2. Различаются УВ
 2.1. В 700ZXL стоит УВ по более совершенной схемотехнике
(такой же УВ стоит в 1000ZXL) с гальванической связью с ГВ
        и с входным дифкаскадом на согласованной сборке полевых транзисторов
  2.2. В 700ZXE стоит классический УВ на трех транзисторах
с разделительным конденсатором (такой же как в ZX-7 и ряде других аппаратов)
 
 
Цитата
petrorlov написал:
Семен
Поскольку вопрос адресован к неопределенному кругу заинтересованных лиц,
позволю себе ответить.

Начнем с цен на оба аппарата
В каталоге товаров Накамичи за 1981 год рекомендованные
производителем розничные цены составляли
3000$ за 700ZXL
и 2400$ за 700ZXE
Да, про цены я в курсе.
Более интересны функциональные отличия. С точки зрения конечно пользователя.
 
 
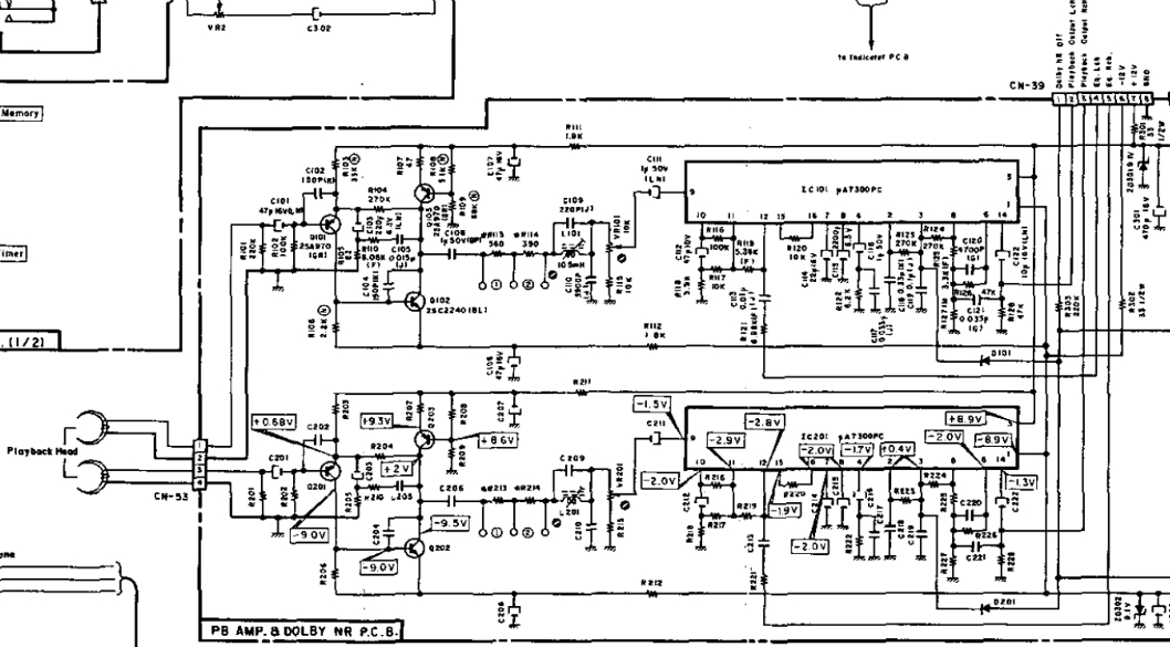
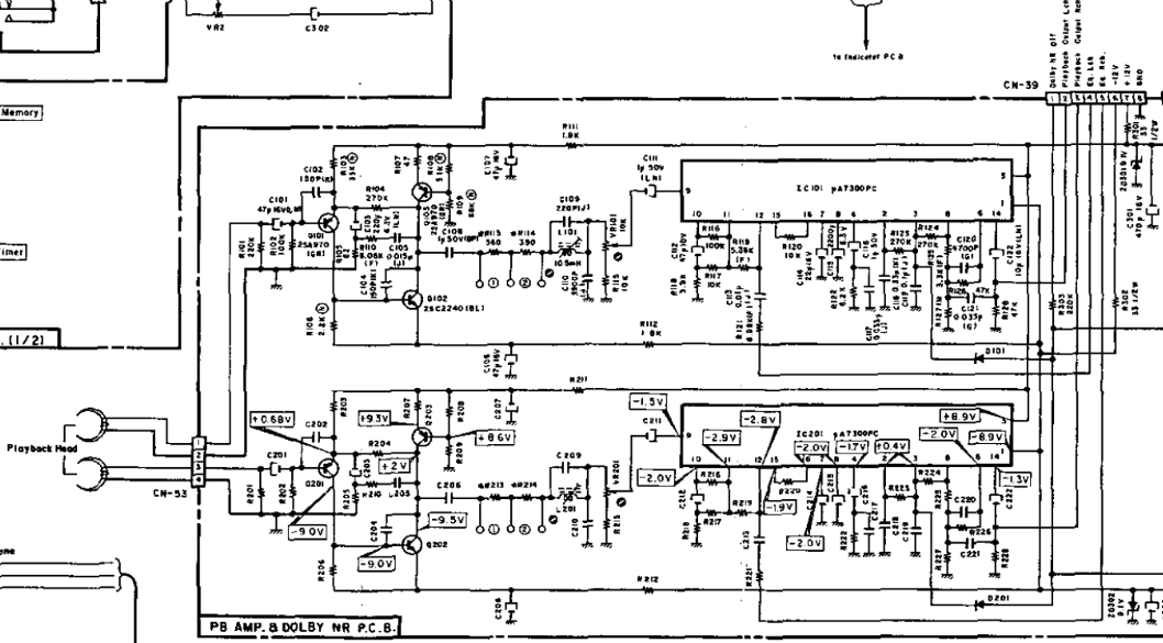
Тракт записи

1. В 700ZXE автокалибровка осуществляется по ТРЕМ параметрам:
- азимут ГЗ
- ток подмагничивания
- ток записи

2. В 700ZXL автокалибровка осуществляется по ЧЕТЫРЕМ параметрам:
- азимут ГЗ
- ток подмагничивания
- ток записи
- коррекция АЧХ канала записи (эквализация на частоте 7 кГц)
 
 
Не торопите
Читайте дальше
 
 
ну это пол беды,хуже то что типы ленты при записи переключаются механическим переключателем,что чревато пропаданием контакта. в zxl это сделано эл ключами.
Страницы: Пред. 1 ... 420 421 422 423 424 ... 1099 След.
Архив Форума Hi-Fi.ru
По 23-5-2020
Портал Hi-Fi.ru более не предоставляет возможностей и сервисов по общению пользователей

1997—2026 © Hi-Fi.ru (Лицензионное соглашение)