| Цитата |
|---|
| Владимир Леонов написал: P.S.Здесь про Накамичи... |
Архив Форума Hi-Fi.ru
По 23-5-2020
Портал Hi-Fi.ru более не предоставляет возможностей и сервисов по общению пользователей
По 23-5-2020
Портал Hi-Fi.ru более не предоставляет возможностей и сервисов по общению пользователей
Деки NAKAMICHI, Настройка и обсуждение (Part 2)
|
14-05-2018 11:42:18
|
|
|
|
|
|
14-05-2018 13:45:13
Степан
все правильно по внедрению EMI фильтров в технику сегодня это не роскошь, а необходимость |
|
|
|
|
|
14-05-2018 13:53:04
|
|||
|
|
|
|
14-05-2018 13:58:37
Кстати порадовало наличие символов в углу характеристики)))
Изменено: - 14-05-2018 14:00:50
|
|||
|
|
|
|
14-05-2018 14:04:40
А почему бы и нет )))
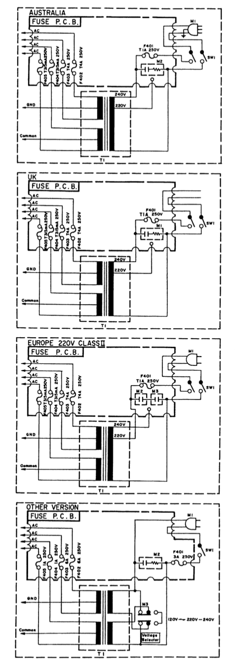
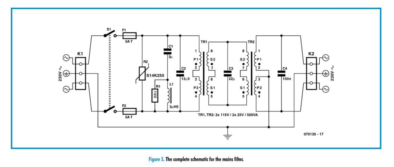
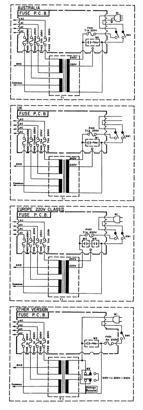
АР прогоняет фильтр по своему диапазону Вот полная статья, если кому интересно Все понятно и четко Без муфлонства и аудиофильской перхоти |
|
|
|
|
|
14-05-2018 21:36:45
|
|||
|
|
|
|
14-05-2018 22:54:44
Ну ты спросил Влад ...
Водочки будешь? |
||||
|
|
|
|||
Архив Форума Hi-Fi.ru
По 23-5-2020
Портал Hi-Fi.ru более не предоставляет возможностей и сервисов по общению пользователей
По 23-5-2020
Портал Hi-Fi.ru более не предоставляет возможностей и сервисов по общению пользователей
