Приветствую всех. Давно не занимался кассетниками, попался Nakamichi 670 ZX в идеальном состоянии, некопанный, сам ещё не открывал. Включается, но на кнопки не реагирует, также не горит лампочка подсветки кассетоприёмника. Читал здесь, что лампочки эти завязаны на управлении каким-то образом. Возможно дело из-за них. Лампочка счётчика и индикаторов горит. Клавиши стоп подсветка горит.
Архив Форума Hi-Fi.ru
По 23-5-2020
Портал Hi-Fi.ru более не предоставляет возможностей и сервисов по общению пользователей
По 23-5-2020
Портал Hi-Fi.ru более не предоставляет возможностей и сервисов по общению пользователей
Nakamichi 670ZX, Включается, но на кнопки не реагирует, не горит лампочка подсветки кассетоприёмника
|
13-12-2016 09:42:01
|
|
|
|
|
|
13-12-2016 11:08:39
Спасибо за подсказку, на выходных попробую воспользоваться вашим советом.
|
|
|
|
|
|
13-12-2016 13:04:39
Да не за что
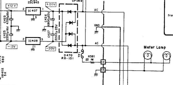
Вот здесь сидит этот контакт Отпишитесь потом - помогло не помогло |
|
|
|
|
|
13-12-2016 13:48:19
Обязательно отпишусь, хочется оживить данный аппарат, со слов предыдущего владельца - некопан, следов и вправду не видно, работал и перестал.
|
|
|
|
|
|
14-12-2016 08:35:36
Читал я тут где-то, что вместо лампочек, в случае отсутствия, можно поставить светодиод с резистором в 1 кОм кажется.
Изменено: - 14-12-2016 09:14:04
|
|
|
|
|
|
14-12-2016 14:54:59
Всё понял, в субботу привезу аппарат домой, думаю что-то из вышеописанного поможет его оживить. Работал себе работал , раз в один прекрасный день и перестал на кнопки реагировать.
|
|
|
|
|
|
16-12-2016 19:37:09
На кнопки не реагирует. Причём тут лампочки? Проверяйте все напряжения питания и питание на М/Схеме процессора и его работу.
|
||||
|
|
|
|||
Архив Форума Hi-Fi.ru
По 23-5-2020
Портал Hi-Fi.ru более не предоставляет возможностей и сервисов по общению пользователей
По 23-5-2020
Портал Hi-Fi.ru более не предоставляет возможностей и сервисов по общению пользователей
