Архив Форума Hi-Fi.ru
По 23-5-2020
Портал Hi-Fi.ru более не предоставляет возможностей и сервисов по общению пользователей


Страницы: 1 2 3 4 5 ... 10 След.

Nakamichi 670ZX, Включается, но на кнопки не реагирует, не горит лампочка подсветки кассетоприёмника

 
 
Приветствую всех. Давно не занимался кассетниками, попался Nakamichi 670 ZX в идеальном состоянии, некопанный, сам ещё не открывал. Включается, но на кнопки не реагирует, также не горит лампочка подсветки кассетоприёмника. Читал здесь, что лампочки эти завязаны на управлении каким-то образом. Возможно дело из-за них. Лампочка счётчика и индикаторов горит. Клавиши стоп подсветка горит.
 
 
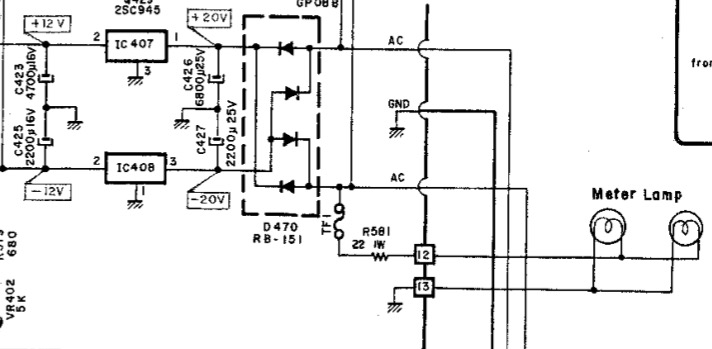
Лампа подсветки кассетоприемника просто висит на шине +12В
Попробуйте почистить контакт блокировки кассетоприемника
он как раз блокирует все режимы ЛПМ
Проблема с лампой "стоп" влияет только на заглушку линейного выхода
IMG_2624.JPG (139.85 КБ)
IMG_2622.PNG (631.3 КБ)
Изменено: petrorlov - 13-12-2016 10:59:21
 
 
Спасибо за подсказку, на выходных попробую воспользоваться вашим советом.
 
 
Да не за что
Вот здесь сидит этот контакт
Отпишитесь потом - помогло не помогло
IMG_2627.JPG (106.54 КБ)
IMG_2626.PNG (39.29 КБ)
 
 
Обязательно отпишусь, хочется оживить данный аппарат, со слов предыдущего владельца - некопан, следов и вправду не видно, работал и перестал.
 
 
Читал я тут где-то, что вместо лампочек, в случае отсутствия,  можно поставить светодиод с резистором в 1 кОм кажется.
Изменено: ser kos - 14-12-2016 09:14:04
 
 
Если не поможет прочистка контакта блокировки кассетоприемника
посмотрите еще конденсаторы С415, С416 на соответствие номиналу

Лампы подсветки счетчика и кассетоприемника висят на шине -12В (ошибся)
ни на что не влияет
как и лампы подсветки индикатора
которые висят на вторичке трансформатора питания

В эти цепи ставьте чего душе угодно
Как избавится от проблемы с лампой "стоп" - описано выше
IMG_2631.PNG (28.12 КБ)
IMG_2633.PNG (53.91 КБ)
IMG_2632.JPG (123.62 КБ)
 
 
Всё понял, в субботу привезу аппарат домой, думаю что-то из вышеописанного поможет его оживить. Работал себе работал , раз в один прекрасный день и перестал на кнопки реагировать.
 
 
Цитата
Александр Циррон пишет:
Чаще там перегорает сама лампочка!Контактная группа реже значительнее по статистике.У Сергея Фароса была лампочка!!!!)))Серега,скоро....Прости,брат,дела с арендой разгребаю уж какой месяц...Давят !

Жду, а что ещё остаётся делать?..
 
 
На кнопки не реагирует. Причём тут лампочки? Проверяйте все напряжения питания и питание на М/Схеме  процессора и его работу.
Страницы: 1 2 3 4 5 ... 10 След.
Архив Форума Hi-Fi.ru
По 23-5-2020
Портал Hi-Fi.ru более не предоставляет возможностей и сервисов по общению пользователей

1997—2026 © Hi-Fi.ru (Лицензионное соглашение)