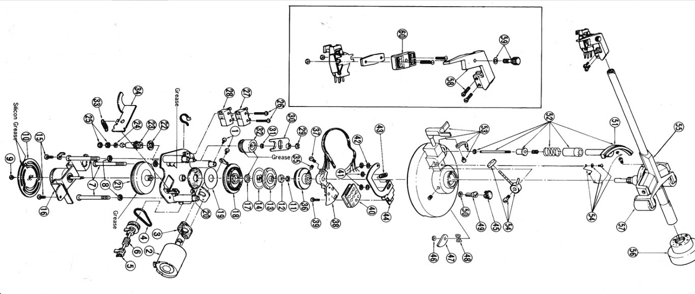
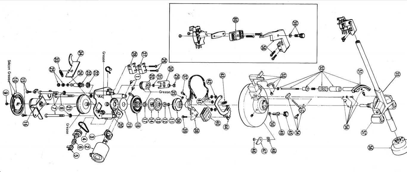
СМАЗКА СИЛИКОНОВАЯ ДЕМПФЕРНАЯ 4г. (S200RL) верне так.А снаружи мне не особо этот патефон интересен,вот и беру такой,чтоб "нижнюю крышку снять".А кому только пластинки слушать,пусть уж со всеми проводами и шеллом (чтоб не накручивать его)берёт.Наверно вопросы для Вас "инопланетными" кажутся,бывает.Ну не попадался мне ещё полный автомат с direct drive ,да ышшо Sansui.
Архив Форума Hi-Fi.ru
По 23-5-2020
Портал Hi-Fi.ru более не предоставляет возможностей и сервисов по общению пользователей
По 23-5-2020
Портал Hi-Fi.ru более не предоставляет возможностей и сервисов по общению пользователей
Sansui FR Q5 пытаюсь оживить, Не движется тонарм,вернее плохо и неправильно.
|
07-10-2016 09:47:15
|
|
|
|
|
|
07-10-2016 09:55:50
Да уж ,директдрайв да с пасиком,это редкость... ![]() |
|||
|
|
|
|
07-10-2016 10:04:35
|
|||
|
|
|
|
07-10-2016 10:06:12
Пассик там внутри,в механизме привода тонарма.Маленький такой.
|
|
|
|
|
|
07-10-2016 10:11:01
Есть хорошие поговорки:
-"Овчинка не стоит выделки!" ![]() "-Много движений,мало молока!"
Изменено: - 07-10-2016 10:12:19
|
|
|
|
|
|
18-11-2016 22:09:03
тише двигаешь - быстрее кончишь))) |
|||
|
|
|
|
04-12-2016 19:03:49
Редуктор фрикционный, какая не хрен смазка!!!!!.
Но на чертеже указано "silicon" на то место,где соприкасаются резиновые колечки и диск. |
|
|
|
|
|
04-12-2016 20:04:30
|
||||
|
|
|
|||
Архив Форума Hi-Fi.ru
По 23-5-2020
Портал Hi-Fi.ru более не предоставляет возможностей и сервисов по общению пользователей
По 23-5-2020
Портал Hi-Fi.ru более не предоставляет возможностей и сервисов по общению пользователей


