| Цитата |
|---|
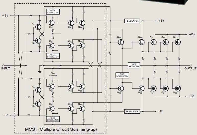
| Sergey Abramov написал: И ещё вопрос, касаемо Муссатов усь, Константин, скажите пожалуйста, там есть балансные входа? Если есть, это истинно балансная схема или псевдо? |
Архив Форума Hi-Fi.ru
По 23-5-2020
Портал Hi-Fi.ru более не предоставляет возможностей и сервисов по общению пользователей
По 23-5-2020
Портал Hi-Fi.ru более не предоставляет возможностей и сервисов по общению пользователей
Restek vs Classe vs Accuphase
|
28-01-2020 11:12:26
Этот усилитель у меня был около 14ти лет, считал, что проблема с выбором оконечника закрыта на всю жизнь. После рождения сына не включал систему года полтора, потом включил, а усь начал гудеть да потрескивать. Обслужили в Гамбурге ( Audio Componets ), сертифицированный сервис, печати да протоколы. Конский счет. В результате... Частоты есть, а музыки нет, весь цимес ушел...
"Реальность — это разница между тем, что доставляет нам удовольствие, и тем, чем мы вынуждены довольствоваться."
|
|||
|
|
|
|
28-01-2020 17:41:43
|
|||
|
|
|
|
28-01-2020 17:46:36
Можно совсем коротко и просто: "оставил Костин усь, Акку выставил на продажу" или "оставил Акку, Костин вернул"... как-то так. |
|||
|
|
|
|
28-01-2020 17:54:33
Вот ссылка на характеристики усилителя Константина
Мне кажется он будет слабоват для 802 бивней матрикс , и особенно для Жбл 9500 , там кстати 3 ома на 9500 |
|
|
|
|
|
28-01-2020 18:53:26
Да честно говоря и еще один момент есть очень,очень проблемный..... Поиграетесь,вы с нашим самопалом,любым,да так он у вас и останется,до скончания века.... Деть вы его ни куда не сможите....то есть абсолютно.... "Весчий" экспёрт: Числилась как "модель 930 ST". Запомнилось по ST как Stanton. Но на самом деле ЕМT. |
|||
|
|
|
|
28-01-2020 19:01:36
Да, это неоспоримый факт, но я хочу понять как этот усилитель может быть лучше акку 4 серии, кстати в параллельной ветке была информация что акку начина с 3 серии истино балансные усилители
|
|
|
|
|
|
28-01-2020 19:08:54
|
|||
|
|
|
|
28-01-2020 19:15:13
Как узнать то кто балансный кто нет??
|
|
|
|
|
|
28-01-2020 19:34:06
|
||||
|
|
|
|||
Архив Форума Hi-Fi.ru
По 23-5-2020
Портал Hi-Fi.ru более не предоставляет возможностей и сервисов по общению пользователей
По 23-5-2020
Портал Hi-Fi.ru более не предоставляет возможностей и сервисов по общению пользователей
