Об акустике, громкоговорителях и фильтрах Танной.
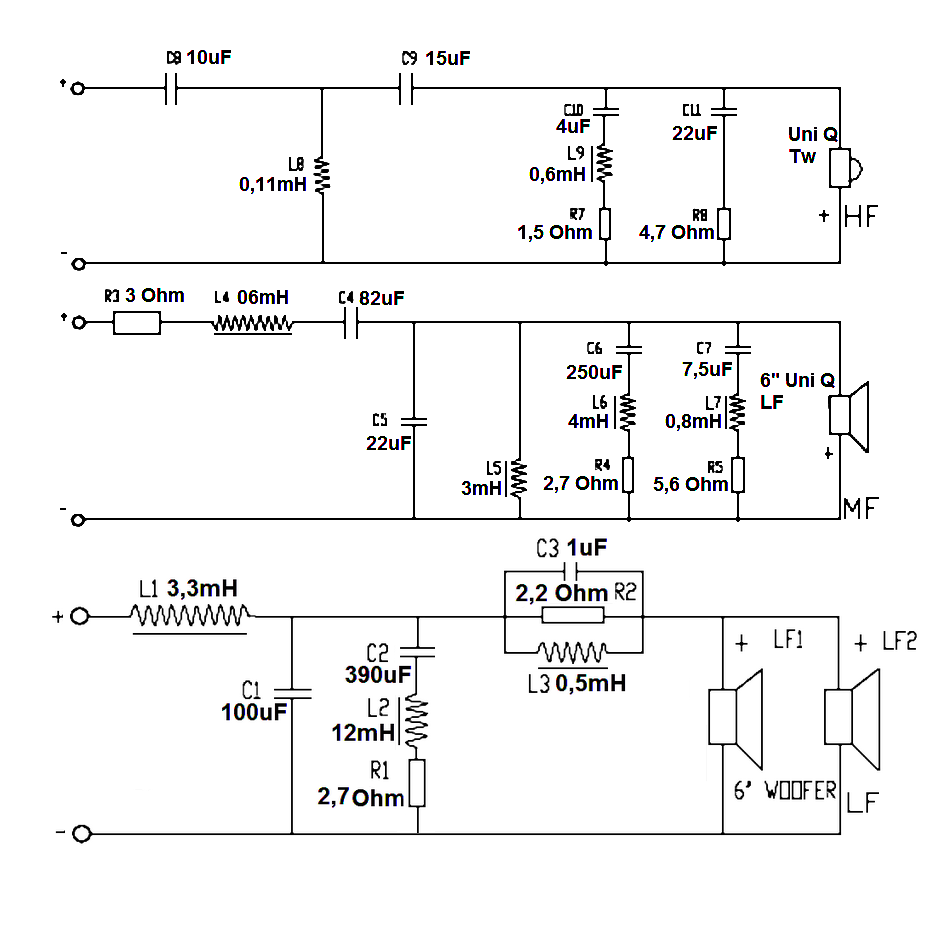
С подачи автора темы решил посмотреть, что творится с характеристиками родных фильтров Танной. По дистанционным рекомендациям Григория (мы из разных городов) менял фильтры на громкоговорителях Танной 2588 (используются в Tannoy DC200) – результат был положительный. Потом купил на И-бэй СРА-12 с громкоговорителями 3134 – звук с родными фильтрами не понравился, какая-то каша и грязь в СЧ. Измерения показали взаимное перекрытие полос в оригинальном варианте. В этом случае в перекрываемой полосе звук воспроизводится обоими головками с разными фазами, что при суммировании и дает кашу и грязь. По АЧХ это определить почти невозможно, тем более по сглаженной при измерениях. Все выглядит на АЧХ вроде неплохо, а на слух …
После корректировки номиналов родного фильтра для устранения взаимного перекрытия звучание значительно улучшилось – исчезла каша, призвуки, почти исчезли сибилянты.
Корректировку делал исходя из минимального вмешательства в родную схему и конструктив и возможность бесследного возврата в девственное состояние, т.е. ничего не перепаивать-выпаивать, не отрезать и.д., что накладывало дополнительные ограничения.
Честно говоря, сам немного в шоке от результатов измерений и наплевательского отношения к настройке на фирме. Надеюсь это касается только фильтров, если ТЕПЕРЬ так же делают и громкоговорители, то ситуация становится весьма печальной.
Есть еще претензии и к параметрам фильтра, но это потребует просто другого, нового фильтра и думаю в дальнейшем его сделать.
Это к тому, что звучат аргументы «считаете, что в Танное дураки, а ты умный», «не надо ничего трогать, не нравится – продай и купи другие» (с такими же проблемами) и т.д.
Отбросив догадки и диагнозы на расстоянии (дураки/ умные, грамотные/тупые, профессионалы/дилетанты и т.д.) просто посмотреть на измерения и послушать.
Результат измерений показывает, что даже в профессиональной серии СРА «на фирме» не особо заморачиваются с настройкой. Почему – можно только гадать, важен сам факт.
На собственном опыте и измерениях убедился, что позиция Григория о возможности значительно улучшить звучание Танноевсих АС корректировкой или заменой фильтров обоснована.
Заниматься этим или нет, вопрос не только технический, каждый его решает сам в соответствии со своими взглядами, опытом и возможностями.
Ну а это- так, небольшой личный опыт, информация к размышлению.

P.S. Измерялось в обычной комнате, а не измерительной камере. Как следствие - гребенка на ЧХ из-за переотражений, комнатных мод и т.д.