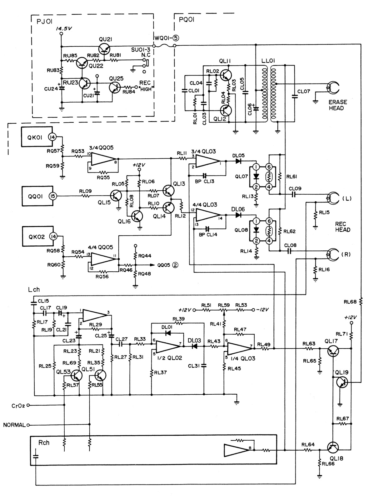
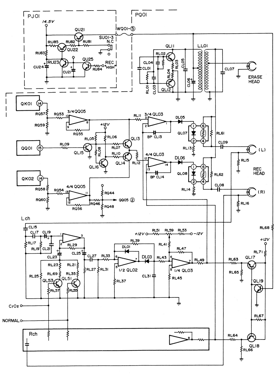
| Цитата |
|---|
| Роман Шкарупов пишет: Да кто бы сомневался, что Teac Z7000 крутейший агрегат! А если все-таки выбирать из реверсных - Teac R999X, Akai GX-R99, или JVC DD-VR9 ? |
Тут смотря для каких целей.
Если по звуку, то он у всех разный (Акай - это всегда Акай, Тик и Виктор - это другой лагерь)- но это на любителя.
Если выбирать аппарат по принципу "всё в одном" - несмотря на мое прохладное отношение к Накам, здесь придется вспомнить Дракон, он будет вне конкуренции.
Если по дизайну - тут и выбирать нечего: все машинки достойны вау-эффекта и быть в коллекции, как дань уважения инженерному искусству.
Лично я по-совокупности выбрал Акай-99 и Дракон (да, именно так - полярно разные), но попадись VR9 и R999 в приличном виде, мог бы не удержаться.
Александр

В перспективе хочу "достроить" деку родственными компонентами из тех же линеек. С Тиком сложнее, у него были и уси и тюнеры в этой же серии, но как то не того... А вот Акаян и Дживс - это конечно 

