| Цитата |
|---|
| Партагас написал: Я просил измерить картой или сотворить на симуляторе. |
| Цитата |
|---|
| Партагас написал: От руки можно что хочешь нарисовать |
Вы вот рисуете симулятором и делаете неправильные выводы, это лучше?
| Цитата |
|---|
| Партагас написал: Там нигде не написано что записью ТРА получаются измерительные ленты для кассетника |
Все очень хорошо тут изложено, не придумывайте.
Проще и нагляднее не получится.
| Цитата |
|---|
| Партагас написал: Нет, Вы пишите о записи тестовых лент ТРА, а это без подъёма на НЧ и ВЧ. |
Тестовая лента имеет вид приведенной во всех справочниках и описывается формулой в ГОСТе.
| Цитата |
|---|
| Партагас написал: У Вас жуткие проблемы с математикой за 4 класс. Когда отнимается от большей отрицательной величины (-3) меньшая (-5), то получается положительная (2):-3-(-5) = 2 |
Почему же жуткие, я по модулю считаю, так методлологически правильнее и понятнее откуда что взялось. А у Вас не наглядно. (Я то понимаю, но читателям не понятно)| Цитата |
|---|
| Партагас написал: Если бы Вы писали бы об этом с самого начала |
| Цитата |
|---|
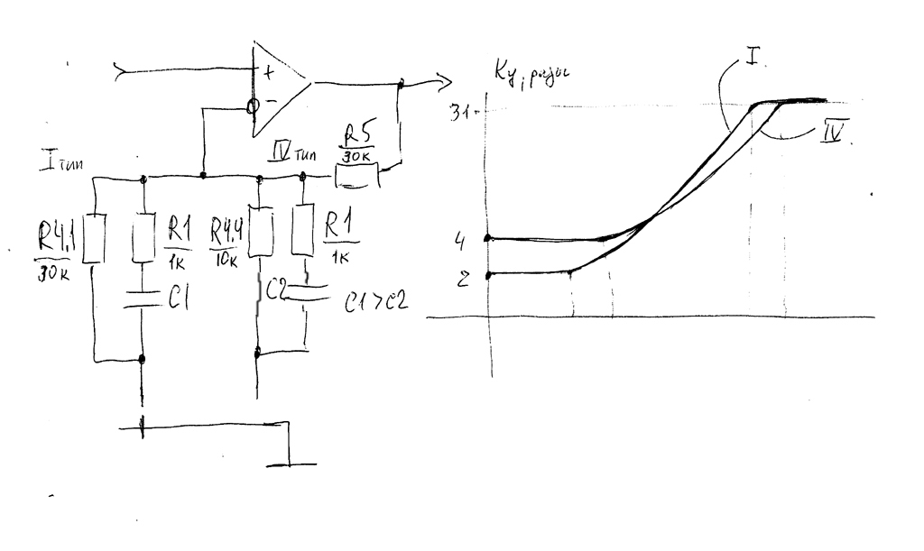
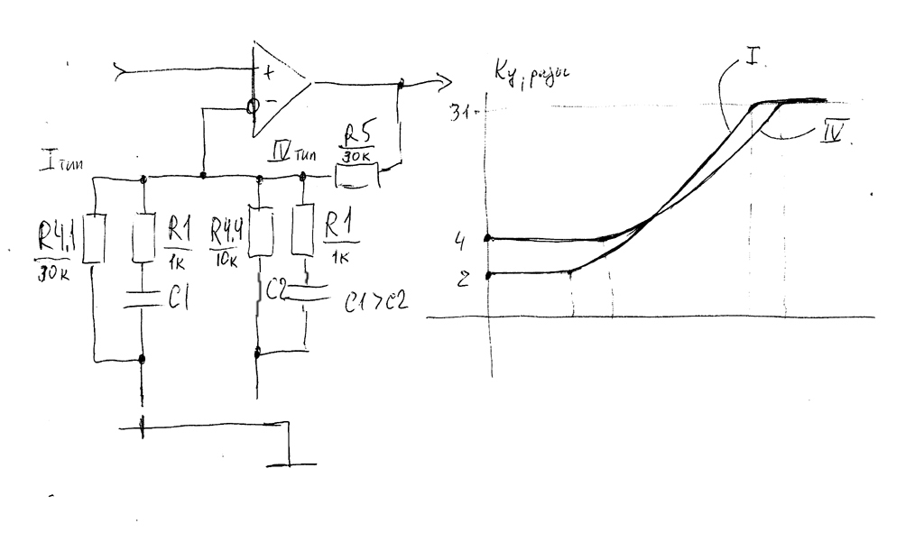
| Партагас написал: Цитата Veschii Oleg написал: Цитата Партагас написал:В кассетниках без дополнительного корректирования слойных потерь при записи не обойтись. Разницу между слойными потерями (кривые из точек) и коррекцией воспроизведения (сплошные) корректируют в УЗ, а УВ корректирует сплошные кривые до прямой линии. |
| Цитата |
|---|
| Партагас написал: Это для катушечников. И тут тестовая лента не значит записанная ТРА, так как видна коррекция на тау2 3180мкс. У катушечников есть стандарт без тау2 |
| Цитата |
|---|
| Партагас написал: Вещий, считает что в УЗ кривая для первого типа ленты самая сильная, она раньше начинается чем другие и выше других. Он изобразил это на картинке и описал словами. |
| Цитата |
|---|
| Партагас написал: На первом типе коррекция самая слабая, 120 мкс. |
В настоящее время она корректируется не в УЗ а в УВ, но физику это не меняет.
| Цитата |
|---|
| Партагас написал: Я это оспариваю (считаю что порядок обратный). |
