Попалась мне както схемка предусилителя NIKKO-Beta III(рылся в своих архивах).Весьма интересна схема фонкорректора- полностью на полевых транзисторах.Было бы любопытно ее реализовать в железе.Звучать должна хорошо.Для интересующихся можно увидеть ее здесь Привести фото что то не получилось наверное файл слишком большой.
Архив Форума Hi-Fi.ru
По 23-5-2020
Портал Hi-Fi.ru более не предоставляет возможностей и сервисов по общению пользователей
По 23-5-2020
Портал Hi-Fi.ru более не предоставляет возможностей и сервисов по общению пользователей
Фонокорректор. Наши VS Brand
|
29-07-2011 00:38:19
|
|
|
|
|
|
29-07-2011 10:58:49
А ясно, у него встроенный фонокорр.
Изменено: - 29-07-2011 11:00:36
|
|||
|
|
|
|
09-08-2011 17:20:15
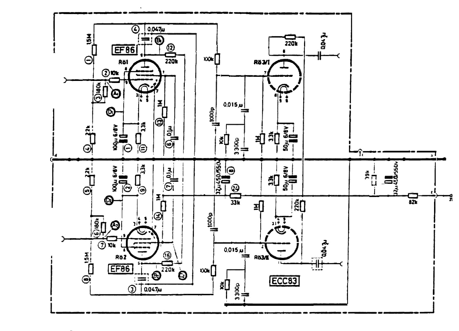
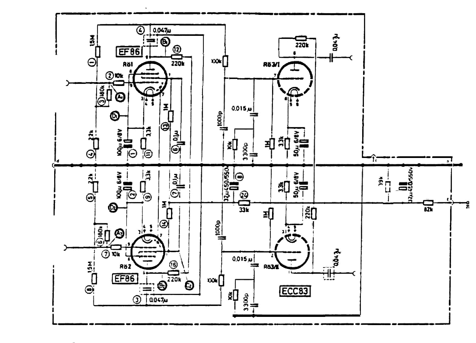
Схему лампового фонокорректора можно посмотреть здесь
на странице есть ссылка на PDF файл. Можно сделать самому, либо заказать готовый, стоит он совсем недорого |
|
|
|
|
|
21-09-2011 11:32:59
А схему Вы привели на 2-х лампах.
Кстати моё №129 касалось тех, кто делает ФК сам для себя. На продажу можно поставить SRPP или повторитель на выход. Отсюда и лишняя лампа. Для себя любимого так делать не стОит. 2 лампы и транс на выход. Ещё лишняя лампа будет в ФК с рассредоточенной коррекцией. Но это уже не типичная схемотехника.
Изменено: - 21-09-2011 11:46:30
ремонт Hi-Fi, Hi-End.
|
||||
|
|
|
|||
Архив Форума Hi-Fi.ru
По 23-5-2020
Портал Hi-Fi.ru более не предоставляет возможностей и сервисов по общению пользователей
По 23-5-2020
Портал Hi-Fi.ru более не предоставляет возможностей и сервисов по общению пользователей
