Архив Форума Hi-Fi.ru
По 23-5-2020
Портал Hi-Fi.ru более не предоставляет возможностей и сервисов по общению пользователей


Страницы: Пред. 1 ... 6 7 8 9 10 ... 12 След.

Ранние усилители Accuphase ,кто разбираетса?

 
 
Как правило ,нет .
 
 
спасибо
 
 
Цитата
Сергей Талапа пишет:
Подскажите, плз, кто знает.

Есть ли у оконечников аккуфейз, сделанных для японского рынка, тех, у которых сзади написано 100V 50/60Hz, возможность переключения обмоток на 220в ?

Речь об аппаратах 80-90х гг. типа P-500/600/700, A-50 и т.д.

Р-500/800 точно переключаются на 220В, Р-600 и 700 скорее всего тоже.
 
 
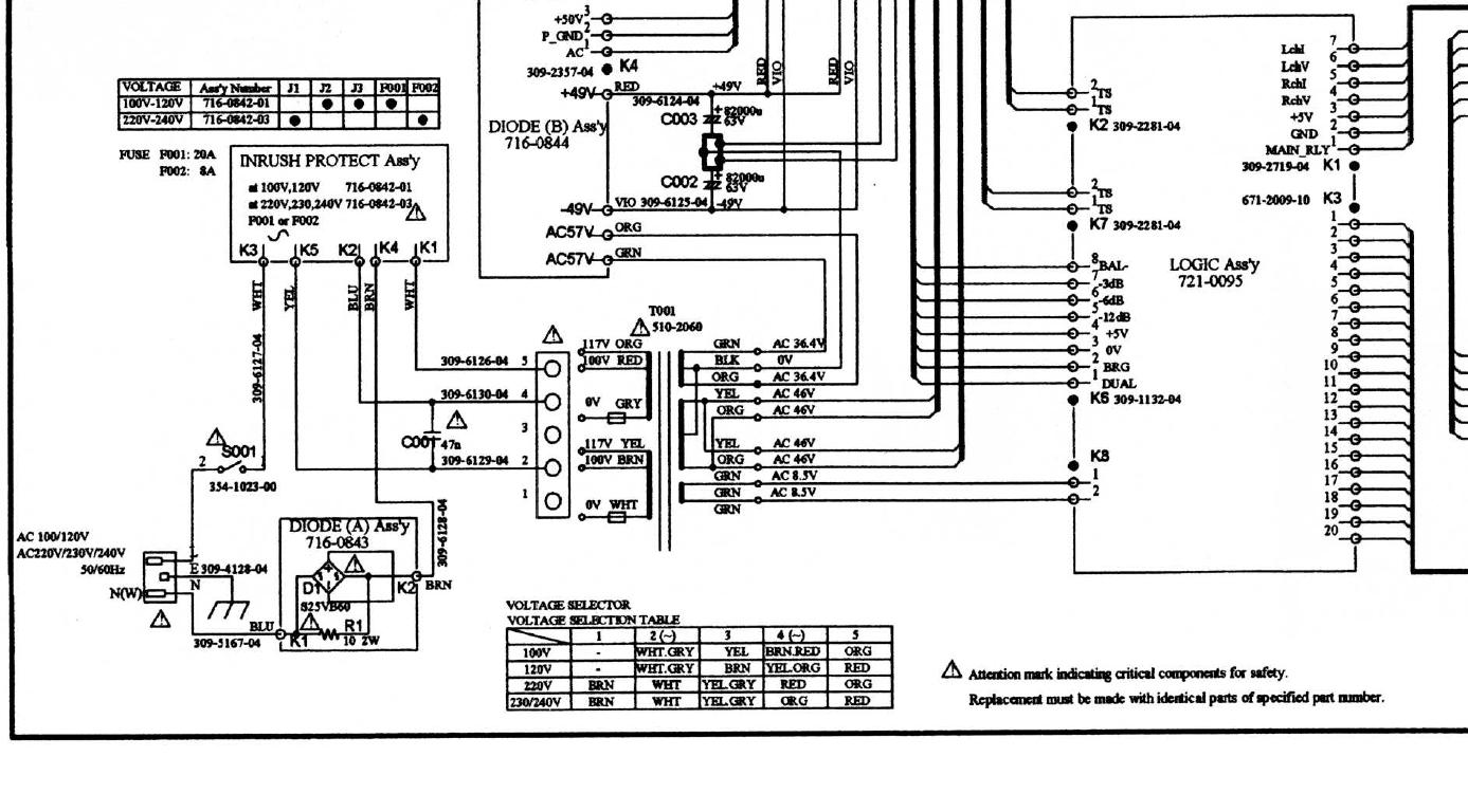
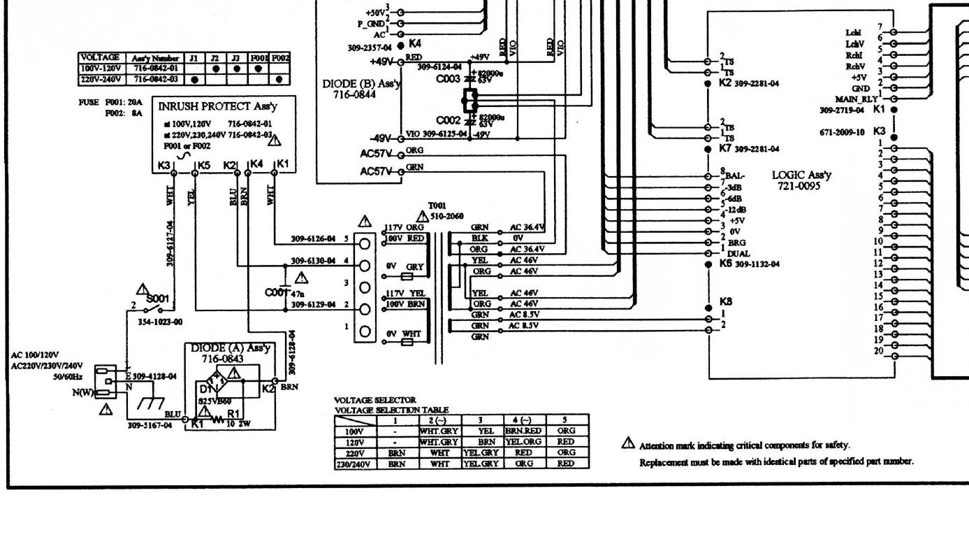
Роман, спасибо. Нашел схему А-65. Силовой трансформатор, судя по всему, один на все модели. Плата защиты имеет разные номера для моделей 100-117 и 220-240. Но на мой дилетантский взгляд они различаются положением джамперов и типом предохранителя. У кого еще какой опыт?
a1.JPG (68.36 КБ)
a2.JPG (159.11 КБ)
 
 
Здравствуйте, скажите имел ли кто опыт прослушивания аккуфейс a-45, a-50 со спендорами сотками или харбетами 7, 30, 40. есть желание прикрутить  аккуфейс к своим спендорам соткам - да послушать негде, думаю стоит заморачиваться на поиски или нет...
 
 
Цитата
Сергей Талапа пишет:
Подскажите, плз, кто знает. Есть ли у оконечников аккуфейз, сделанных для японского рынка, тех, у которых сзади написано 100V 50/60Hz, возможность переключения обмоток на 220в ? Речь об аппаратах 80-90х гг. типа P-500/600/700, A-50 и т.д.
ЛЮБАЯ техника Аккуфейс, и старая и новая, переключается на 220.
Исключение - сетевые фильтры-регенераторы.
 
 
Цитата
Сергей Талапа пишет:
Подскажите, плз, кто знает.

Есть ли у оконечников аккуфейз, сделанных для японского рынка, тех, у которых сзади написано 100V 50/60Hz, возможность переключения обмоток на 220в ?

Речь об аппаратах 80-90х гг. типа P-500/600/700, A-50 и т.д.

P-500, P-600, A-50 - да, надо еще заменить предохранители.
P-700, A-50V - нет
 
 
Цитата
Gosvit пишет:
ЛЮБАЯ техника Аккуфейс, и старая и новая, переключается на 220. Исключение - сетевые фильтры-регенераторы.

Каким образом переключается новая?
 
 
Цитата
Сергей tsv пишет:
P-500, P-600, A-50 - да. P-700, A-50V - нет
Не вводите людей в заблуждение. И Р-700, и А-50V переключаются как все остальные.
Цитата
Сергей tsv пишет:
Каким образом переключается новая?
Странно что Вы не в курсе. Видимо Вы не имели с этим дела.
Снимается дно, переставляются провода на клеммной колодке и все. Элементарная процедура, без пайки, доступная любому. Занимает максимум 10 мин. Там внутри все написано - какой цвет на какие клеммы на тот или иной вольтаж.
 
 
Цитата
Gosvit пишет:
Странно что Вы не в курсе. Видимо Вы не имели с этим дела. Снимается дно, переставляются провода на клеммной колодке и все. Элементарная процедура, без пайки, доступная любому. Занимает максимум 10 мин. Там внутри все написано - какой цвет на какие клеммы на тот или иной вольтаж.

Дело имел.
Всё верно - перекидываются клеммы соответственно указателю рядом с ними у моделей 80-х / начада 90-х годов.
А вот как с моделями второй половины 90-х и 2000-х ?
Можете дать фото такой колодки с клеммами у аппаратов 90-2000-х ?
Страницы: Пред. 1 ... 6 7 8 9 10 ... 12 След.
Архив Форума Hi-Fi.ru
По 23-5-2020
Портал Hi-Fi.ru более не предоставляет возможностей и сервисов по общению пользователей

1997—2026 © Hi-Fi.ru (Лицензионное соглашение)