Архив Форума Hi-Fi.ru
По 23-5-2020
Портал Hi-Fi.ru более не предоставляет возможностей и сервисов по общению пользователей


Страницы: Пред. 1 ... 75 76 77 78 79 ... 119 След.

Tannoy от Рэкхема и Фонтейна до наших дней, Легендарный бренд, мифы и реальность

 
 
Цитата
eduard  пишет:
Григорий, добрый день.  Не поможете пролить свет на следующий момент: в Edinburgh TW частота раздела производителем указывается 1,2 kHz,  а в Edinburgh HE - 1,1 kHz.  Есть ли различия в схемах кроссоверов этих  двух  АС.. Если есть то какая.  Вопрос не праздный.  У меня Edinbutgh TW,  есть возможность вместо штатных 3158, установить 3146. От этой замены я ожидаю улучшения разборчивости  и большей ясности в НЧ области, которой мне не хватает.   Заранее благодарен, с уважением,
Интересное дело,   как раз сейчас,  занимаюсь изготовлением кроссоверов для Edinburgh HE, у хозяина которых,  следующие претензии к их звучанию:
5. Если вернуться к вашему  вопросу о предпочитаемых направлениях музыки и слышимых недостатках (сейчас он уже актуален), то я бы отметил, что хочется иметь возможность слушать все стили. Хорошая акустика должна уметь играть все, не так ли? Или Edinburgh HE  не относится к хорошей? :-) В целом слушаю поп/рок, иногда классику, а также ambient и new age. Везде ощущается нехватка баса (панча?), а также иногда отсутствует натуральность и открытость звучания на СЧ/ВЧ, кажется, что звук как за ширмой (пожалуй, наиболее подходящее сравнение из отзывов по вашим ссылкам).

Как видите,  одной только заменой динамика, желаемой цели Вы не добьётесь. Главное, всё же правильная настройка кроссоверов.

А разница в частотах раздела, между TW и HE, по причине разных кроссоверов. У TW фильтр НЧ первого порядка, а у НЕ - третьего. Звук ни того ни другого  порядка, мне не нравится. Первый порядок, имеет муторно гудящий звук, а третий  (по крайней мере применительно к танноевским коаксиалам) -  какую то неприятную окраску.
Edinburgh HE .png (146.62 КБ)
Изменено: Griroriy - 06-11-2018 12:22:36
dzhanikyan@gmail.com

- Пока не воспользовался интернетом, не знал, что на свете столько идиотов. © Ст. Лем
Аргументы (словеса) - ничто, факты, в виде реального звучания - всё.
 
 
Григорий, здравствуйте.
В отношении данных приведённых в таблице Tanniy Prestige 1999 есть некоторые сомнения.
Вы в посте #1381 приводили  фото  и схему кроссовера Tannoy GRF TWW, там очевидно LF - второй порядок.
Кстати в Edinburg TW схема кроссовера идентична схемы GFR TWW, отличаются лишь номиналы L и С.  HF там первый порядок, а LF - второй.

Однако у меня нет желания искать неточности где либо. Я хотел у  просить Вас опубликовал схему LF звена  Edinburg HE , если таковая у Вас имеется.  
Схема HF звена я думаю у них  одинаковая.
image.jpg (727.79 КБ)
HF.jpg (1.03 МБ)
 
 
Цитата
eduard  пишет:
Я хотел у  просить Вас опубликовал схему LF звена  Edinburg HE , если таковая у Вас имеется.  
Схема HF звена я думаю у них  одинаковая.
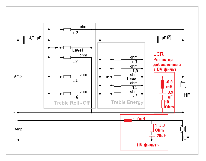
К сожалению, схемы (точной) от Edinburgh HE, у меня так и нет. Дело в том, что  человеку     их продали, с переделанными   кроссоверами.  И  узнал он об этом, только  недавно. Как видите, там  полный бардак. Пара резисторов в фильтре ВЧ, просто вырвана "с мясом". А теперешний хозяин АС, в этом не силён. Кстати, судя по конденсатору С1 - 4,7uF в НЕ,  против  3,9uF в TW,  ВЧ фильтры всё же отличаются. А номинала С2 и вовсе не видно. Возможно он 3,9uF, а возможно 3,3uF, или меньше (видимо таким образом, в связи с изменение НЧ фильтра, меняли наклон АЧХ ВЧ.  Да и номиналы резисторов (с той же целью)иные.
Единственное что я могу предположить, так это - введение   LCR режектора в ВЧ фильтр и   замена катушки на "крутую" ленточную, с добавлением резистора (видать фирменного провала СЧ, показалось мало) в НЧ фильтр. И то и другое, как на фотографиях, так и на схеме выделил красным.
Вот что за манера копать, готовое изделие. Хочешь что то сделать, так и делай отдельно свой кроссовер, от начала и до конца. Отключи оригинальный и подключи свой. Нет же,  воткнул туда, эти  долбанные дуелюнды. Ну не ахти  звучал оригинальный кросс, но хотя бы аккуратно выглядел. А так и вид  изгадил и звука не получил. Мало было фирменной тухлости звука, так он ещё режектор на ВЧ и фильтр с повышенным реактансом (резистор) на НЧ сделал. Видать  всё по учебнику  и наверняка   измерял даже что то, но вряд ли то что надо. А в конце, убедившись на собственной шкуре, что не зная нюансов и  тупо следуя поваренной книге, съедобного блюда не приготовить - продал всё это.  Причём,  с обманом!
Изменено: Griroriy - 06-11-2018 12:22:36
dzhanikyan@gmail.com

- Пока не воспользовался интернетом, не знал, что на свете столько идиотов. © Ст. Лем
Аргументы (словеса) - ничто, факты, в виде реального звучания - всё.
 
 
Цитата
eduard  пишет:
Griroriy
1.Да, как всё запутано у Вашего "подопечного". Проводки тоже не родны. Какой производитель? Вам виднее.
2.Учитывая, что в НЕ частота раздела ниже С1 - 4,7 uF это логично. С2 судя по размерам 3,9 uF.
3.В НЧ секции от третьего порядки избавились . Почему?
1.Ну что он может поделать - продали ему в таком виде, ничего не сказав.

2.Могли и немного изменить номинал. ФНЧ порядок то другой.
Цитата
Griroriy  пишет:
Кстати, судя по конденсатору С1 - 4,7uF в НЕ,  против  3,9uF в TW,  ВЧ фильтры всё же отличаются. А номинала С2 и вовсе не видно. Возможно он 3,9uF, а возможно 3,3uF  (видимо таким образом, в связи с изменение НЧ фильтра, меняли наклон АЧХ ВЧ.  Да и номиналы резисторов (с той же целью)иные.
3.Видать по причине, о которой я писал:
Цитата
Griroriy  пишет:
 третий порядок    (по крайней мере применительно к танноевским коаксиалам) имеет   какую то  неприятную окраску .
Цитата
eduard  пишет:
На ВЧ первый порядок. Фазу крутим?
...
Цитата
eduard  пишет:
Если есть фото или схема Edinburgh HE выложите.
За здорово живёшь, схемы выкладывать - чисто диктаторская черта.
Пока нет "НЕ", пусть  TW-шная будет.
Edinburgh TW .jpg (34.79 КБ)
Изменено: Griroriy - 30-11-2019 10:32:27
dzhanikyan@gmail.com

- Пока не воспользовался интернетом, не знал, что на свете столько идиотов. © Ст. Лем
Аргументы (словеса) - ничто, факты, в виде реального звучания - всё.
 
 
Цитата
Griroriy  пишет:
имея приматом над теорией, всё же слух, ровно как в те времена, когда создавались АС, действительно играющие музыку, я и впредь, буду стараться делать звук АС,  устраивающий людей с музыкальным слухом. А то, чем дальше, тем теорий больше, а  музыки в АС всё меньше.О чём свидетельствует реальность.
Так что, не  Тиле и Смолом  едиными,  жива акустика.

Григорий, спасибо за тяжкий и объемный труд на почти 150 страницах!
Спасибо за понятное и точное,  с юмором, изложение, не всегда и не всем удающееся.

Чем выше достигнутый  инженером-разработчиком от аудио, не важно электроника это или акустика,  результат, тем сложнее двигаться дальше, если мы стремимся к совершенству.
Постоянно возникают все более сложные для понимания развилки, куда накручивать звук.
Замечательные графики и картинки, построенные суперсовременной измериловкой таковым компасом, к сожалению, не являются, как бы они, казалось бы, не были совершенны. Природа строила свою  "измериловку" сотни тысяч лет без оглядки на авторитеты.
Выход для конструктора есть.
Работать в паре со специалистами по звуку. Их единицы, отборные люди, и на этом форуме они не болтаются. Природные таланты, музыкальное образование, опыт студийной работы и понимание, что такое хай фай и хай энд.
Лично наблюдал такую работу и ее результаты.
Главная проблема была преодолеть личные амбиции сторон.
   Успехов в любимом деле,  не обращать внимания на посты некоторых участников форума, типа схема не та, вместо спасибо, остального вам не занимать.
 
 
Цитата
HR64  пишет:
Постоянно возникают все более сложные для понимания развилки, куда накручивать звук.

Замечательные графики и картинки, построенные суперсовременной измериловкой таковым компасом, к сожалению, не являются, как бы они, казалось бы, не были совершенны. Природа строила свою  "измериловку" сотни тысяч лет без оглядки на авторитеты.

Выход для конструктора есть.

Работать в паре со специалистами по звуку. Их единицы, отборные люди ...  
Уважаемый HR64, огромное спасибо,  за поддержку, понимание сути и столь высокую оценку. :)
Изменено: Griroriy - 06-11-2018 12:22:36
dzhanikyan@gmail.com

- Пока не воспользовался интернетом, не знал, что на свете столько идиотов. © Ст. Лем
Аргументы (словеса) - ничто, факты, в виде реального звучания - всё.
 
 
Привет Григорий ! Наконец мне нашли оригинальные вч динамики для 638Р . Их надо как-то ориентировать относительно основных динамиков, или можно крепить произвольно ?
 
 
Поздравляю! Если у Вас  клеммы на пищалке (+ и -) параллельны и смотрят в одну сторону, а в  Вашем случае должно быть именно так, то они должны смотреть вниз (в сторону НЧ клемм) , чтоб длины штатных проводов,  идущих от кроссовера,  хватило.
DC-1678 2.JPG (507.23 КБ)
Изменено: Griroriy - 06-11-2018 12:22:36
dzhanikyan@gmail.com

- Пока не воспользовался интернетом, не знал, что на свете столько идиотов. © Ст. Лем
Аргументы (словеса) - ничто, факты, в виде реального звучания - всё.
 
 
Всем привет! С интересом прочитал эту тему. Имею опыт общения с продукцией фирмы Tannoy более 25 лет. Профессионально занимаюсь музыкой и саунд дизайном как звукорежиссёр, саунд продюсер и инсталлятор ( клубы, студии звукозаписи и системы прослушивания музыки дома, как стерео так и многоканальной. Опыт большой и хотел бы поделиться с теми кому интересно и может пригодиться. У меня в личном пользовании DMT System 215 MK II, NFM System 8 MKII, DMT System 12, DC 12i, Ellipse 8 active.  многие модели из профессиональной линейки инсталлировал, практически всю серию VX и VXP. Много чего из  HI FI линии. Много лет являюсь дилером Tannoy как бытовой так и профессиональной линий. Конечно все модели отличаются друг от друга, но и имеют неповторимое никем звучание Tannoy за счёт динамика Dual Concentric который раньше характеризовался как Holographic Sound System, что очень точно обьясняет идею звучания этих динамиков. Он то и является основным достоянием компании Tannoy, а не ящики и кроссоверы которые может сделать условно кто угодно, и лицензию они на него никому не дают. Сложно перечислить и понять как это звучание оказало влияние на разных музыкантов и звучание музыки разных исполнителей в целом, но факт в том что динамики этой фирмы стояли и стоят в мониторных системах культовых студий, и не только культовых, и в мониторных системах домашних студий огромного колличества музыкантов нескольких поколений. Из всех мной слушанных наиболее универсальные и точные это NFM System 8 MKII и Ellipse 8 active, в них одинаково хорошо звучат все стили музыки ,что как вы понимаете идеально для студий которые работают с разными направлениями. Затем идёт DMT System 12 более или менее та же история. Все они имеют полипропиленовый диффузор и резиновый подвес и сделаны были во времена когда был подъём новой музыки с применением только синтезаторов и бумага тут явно проигрывала по характеру звучаеия. Затем DMT System 215 MK II и DMT System 15 MK II они уже имеют жанровые предпочтения: Классика, джаз, рок ,различная акустическая музыка и old school электроника, опять же по причине бумажного диффузора. DC 12i были разработаны для систем кинотеатров и профессиональных линеек озвучивания клубов, концертных площадок и т.д. Подразумевали работу с сабвуфером и поэтому имеют высокую частоту среза по низу, хотя если поместить динамик DC 3142 из этой серии в другой корпус литров 75-100 и поменять кроссовер, что некоторые уважаемые участники этого форума и делают, можно получить достаточно хороший низ. Но сабвуфер 15" конечно это не заменит в большом помещении. DC 3142 в мониторной системе использовать нельзя, так как у него очень жёсткий бумажный диффузор и жёсткий тканевый подвес сделанные для того что бы выдерживать длительные нагрузки, и от этого страдает микродинамика, что для студийной работы очень важно. Так же у него из за этого ярко выраженный деревянный призвук, может если подвес пропитать смягчающей жидкостью этот недостаток пройдёт. К переделкам и модификациям отношусь с осторожностью но принимаю как апгрейд в основном приборов средней ценовой категории так как производитель часто экономит на элементной базе или откровенно халтурит, что к сожалению бывает всё чаще даже в девайсах верхней ценовой категории, для важных задач стараюсь использовать  Hand made от проверенных инженеров и ателье. Что еще важно: хорошая правильно сфазированная электросеть с фильтром и стабилизатором напряжения сделанная помехозащищённым кабелем с нужным сечением, что влияет на динамику работы звуковоспроизводящей системы, кабели из разных металлов дают разный окрас который слышно на системах с высоким разрешением. Это относится и к акустическим, и к сигнальным кабелям. Главное без фанатизма и тяжёлой психиатрии. Для меня самые оптимальные это японские Oyaide, Mogami, Canare, Furutech, все они дают правильное, нейтральное, собранное звучание без дополнительного окраса. Конекторы Neutrik и Canare часто вполне достаточно. Для подключения акустических кабелей используйте лопатки и защитные трубки это даст большую площадь прижима контакта и защиту от преждевременного окисления. Акустическая обработка помещения конечно же важна, если вы хотите слушать музыку как она предполагалась при записи а не плюс к ней реверберация вашей комнаты, но это часто зависит от размера акустики, самой комнаты и её заполненности различными предметами и телами :) Это конечно о домашнем прослушивании, для профессиональных задач настройку помещения может выполнит только высококвалифицированный специалист с опытом. Буду рад если кому то это поможет в нелёгком деле поиска хорошего звучания!
 
 
Цитата
Daman Daman пишет:
1. Опыт большой и хотел бы поделиться с теми кому интересно и может пригодиться. У меня в личном пользовании DMT System 215 MK II, NFM System 8 MKII, DMT System 12, DC 12i, Ellipse 8 active.  многие модели из профессиональной линейки инсталлировал, практически всю серию VX и VXP. Много чего из  HI FI линии. Много лет являюсь дилером Tannoy как бытовой так и профессиональной линий.

2.Конечно все модели отличаются друг от друга, но и имеют неповторимое никем звучание Tannoy за счёт динамика Dual Concentric который раньше характеризовался как Holographic Sound System, что очень точно обьясняет идею звучания этих динамиков.

3.Он то и является основным достоянием компании Tannoy, а не ящики и кроссоверы которые может сделать условно кто угодно, и лицензию они на него никому не дают.

4.Сложно перечислить и понять как это звучание оказало влияние на разных музыкантов и звучание музыки разных исполнителей в целом, но факт в том что динамики этой фирмы стояли и стоят в мониторных системах культовых студий, и не только культовых, и в мониторных системах домашних студий огромного колличества музыкантов нескольких поколений.

5.Из всех мной слушанных наиболее универсальные и точные это NFM System 8 MKII и Ellipse 8 active, в них одинаково хорошо звучат все стили музыки ,что как вы понимаете идеально для студий которые работают с разными направлениями. Затем идёт DMT System 12 более или менее та же история.

6.Все они имеют полипропиленовый диффузор и резиновый подвес и сделаны были во времена когда был подъём новой музыки с применением только синтезаторов и бумага тут явно проигрывала по характеру звучаеия.

7. Затем DMT System 215 MK II и DMT System 15 MK II они уже имеют жанровые предпочтения: Классика, джаз, рок ,различная акустическая музыка и old school электроника, опять же по причине бумажного диффузора.

8.DC 12i были разработаны для систем кинотеатров и профессиональных линеек озвучивания клубов, концертных площадок и т.д. Подразумевали работу с сабвуфером и поэтому имеют высокую частоту среза по низу, хотя если поместить динамик DC 3142 из этой серии в другой корпус литров 75-100 и поменять кроссовер, что некоторые уважаемые участники этого форума и делают, можно получить достаточно хороший низ. Но сабвуфер 15" конечно это не заменит в большом помещении.

9. DC 3142 в мониторной системе использовать нельзя, так как у него очень жёсткий бумажный диффузор и жёсткий тканевый подвес сделанные для того что бы выдерживать длительные нагрузки, и от этого страдает микродинамика, что для студийной работы очень важно. Так же у него из за этого ярко выраженный деревянный призвук, может если подвес пропитать смягчающей жидкостью этот недостаток пройдёт.

10.К переделкам и модификациям отношусь с осторожностью но принимаю как апгрейд в основном приборов средней ценовой категории так как производитель часто экономит на элементной базе или откровенно халтурит, что к сожалению бывает всё чаще даже в девайсах верхней ценовой категории, для важных задач стараюсь использовать  Hand made от проверенных инженеров и ателье.

11.Что еще важно: хорошая правильно сфазированная электросеть с фильтром и стабилизатором . . .  

1.Я не для того, более четырёх лет вёл эту тему, чтоб  дилер, да ещё и  в своём первом же посте на Hi-Fi.ru, использовал её в качестве доски объявления своих услуг. А если так уж хочется поправить дела, то почему бы Вам не  завести свою тему. А может есть такие подозрения,  что администрация (ввиду ярко выраженной рекламной сути) её прикроет?!

2.Ну отличаются в определённой степени и к чему эти банальности?

3.Вздор! Как раз кроссоверы,  в наибольшей степени и определяют звучание. И либо Вы не в курсе, либо специально пытаетесь ввести  читателей в заблуждение.
Но дело в том, что  моими стараниями, доверчивых читателей стало меньше. Для чего собственно тема и заводилась и о чём говорит её название. Так что не надо этого бреда про лицензии и прочих маркетологических приёмов. Людям нужен нормальный звук, а не лицензии.  

4.Ой как сложно . . . Что, даже нескольких  имён не наберётся?!

5. Дешёвый, полипропиленовый 8" динамик, на мягком  подвесе из нитриловой резины, дрянные кроссы и . . .  универсально тухлый звук. Так что, ка видите, по поводу универсальности, я с Вами согласен.

6.Это  1990 год, а "подъём новой музыки с применением "только (???!!!) синтезаторов" ..." был лет на двадцать раньше.

7. Эти "жанровые предпочтения", как раз от кривых кроссоверов. Заказывали у меня к ним кроссы (см. ниже), знаю о чём пишу.

8.Ну про этот динамик я много писал и T S параметры выкладывал и буклет  серии Install тоже.Так зачем Вы это пишете, если конечно "тему читали"?

9.Да-да, конечно! Сейчас плюну на весь свой опыт  и мнение композитора с абсолютным слухом, мнение клиента, заплатившего из своего кармана и  буду эти сказочки от дилера  читать. Вы простите конечно, но я уж как ни будь, кроссоверами. Так что - ознакомьтесь:  
#333 #334  http://www.hi-fi.ru/forum/messages/forum44/topic74831/message1476389/#message1476389
# 532  http://www.hi-fi.ru/forum/messages/forum44/topic74831/message1602623/#
# 564  http://www.hi-fi.ru/forum/messages/forum44/topic74831/message1645597/#message1645597
# 679  http://www.hi-fi.ru/forum/messages/forum44/topic74831/message1688679/#message1688679
# 1136 http://www.hi-fi.ru/forum/forum44/topic74831/?PAGEN_1=114#
# 1161 http://www.hi-fi.ru/forum/messages/forum44/topic74831/message1841332/#message1841332
Чувствуешь себя каким то архивариусом. Каждому  новому "прочитавшему" тему, приходится эти ссылки  приводить.

10. Ага, вот на днях отослал короссоверы для модели RHR  Limited edition, на динамике DC-3839, как у Westminster (выпущено всего 111 пар). Действительно, ну очень средней   категории  АС. За пару недель до них, для  Edinburgh HE ...
А отослал, по причине получения такого письма:
Здравствуйте, Григорий!
Читаю вашу тему  на форуме, очень любопытно- спасибо вам !
Можно к вам обратиться за (оплачиваемой с моей стороны) помощью? Если вы не против
У меня tannoy RHR, очень гудят колонки и играют как то не так.
По ВЧ- не хватает прозрачности и если можно сказать воздушности и быть точнее - легкости их подачи, как то по моему мнению немного навязчиво, где то дерзковато
по СЧ - не хватает реалистичности, может близости присутствия вокалиста "как на последних рядах театра".

 
11. Ну а это - вообще в другие разделы форума.
RHR .jpg (1.41 МБ)
Изменено: Griroriy - 06-11-2018 12:22:37
dzhanikyan@gmail.com

- Пока не воспользовался интернетом, не знал, что на свете столько идиотов. © Ст. Лем
Аргументы (словеса) - ничто, факты, в виде реального звучания - всё.
Страницы: Пред. 1 ... 75 76 77 78 79 ... 119 След.
Архив Форума Hi-Fi.ru
По 23-5-2020
Портал Hi-Fi.ru более не предоставляет возможностей и сервисов по общению пользователей

1997—2026 © Hi-Fi.ru (Лицензионное соглашение)