Большое спасибо за столь быстрый и развернутый ответ. Завтра должен решить останутся ли они у меня. Если решу оставить то обязательно последую Вашему совету.
И ещё вопрос по усилителю.Достаточно ли мощности 65 Вт (8 Ом, 1 кГц)или присмотреться к более мощному. При комфортном для меня уровне громкости хотелось бы немного больше баса (хотя может я привык к старой акустике?).
Понял спасибо. Не подскажите претендентов для данной связки?
И ещё вопрос по усилителю.Достаточно ли мощности 65 Вт (8 Ом, 1 кГц)или присмотреться к более мощному. При комфортном для меня уровне громкости хотелось бы немного больше баса (хотя может я привык к старой акустике?).
| Цитата |
|---|
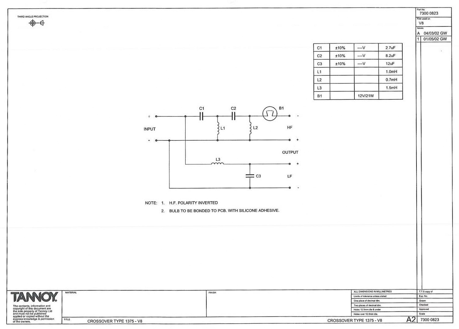
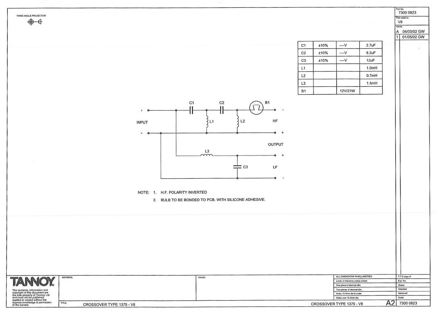
| Griroriy пишет: Дело не в усилителе, а в том, что у V8 диапазон по уровню -3dB, - 85Hz – 22kHz и с 65Hz – 22kHz с TDX2 контроллером и они изначально рассчитаны на работу с сабом. |
