Архив Форума Hi-Fi.ru
По 23-5-2020
Портал Hi-Fi.ru более не предоставляет возможностей и сервисов по общению пользователей


Страницы: Пред. 1 ... 12 13 14 15 16 ... 159 След.

Особенности сибирской акустики, или последний из могикан на тропе измерений

 
 
Анатолию (+) за хороший обзор 7000.
P.S. Хотя в 7000-х средник никакой и его горбатого только могила исправит. ;(
Изменено: Сергей С**** - 29-01-2016 19:51:12
 
 
Цитата
Griroriy написал:
Схемы этих АС не знаю. Но обычно, СЧ и ВЧ динамики, давят L-pad, до уровня чувствительности басовика.
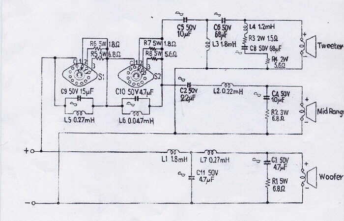
Это их оригинальная схема, но на заводе в неё по ходу дела вносили изменения :

- вч-головка с коректирующей цепью и запускается 3м порядком, теоретически с 3.5 кГц, а по факту с 1500 Гц;
- сч-головка запускается 1м порядком, а поверху валится 2м;
- нч-головка идет 4м порядком. С11 её тянет за килогерц, а затем С1 резко валит отдачу к полутора кГц.

L-pad на сч-вч, теоретически, т.к. у меня нет вч-головки, не только снижают отдачу головок, но и корректируют их АЧХ.
Цитата
Сергей С**** написал:
P.S. Хотя в 7000-х средник никакой и его горбатого только могила исправит
Спасибо,Сергей, но по их сч-головке поспорю. Вот они в боксе, прямое включение и высокое разрешение :

Запускать можно хоть от 200 Гц, а наверху у них проблемы начинаются от 4 кГц, но выше 4 кГц их и пускать нельзя - там ведь у 12-см диффузора начинает разваливаться угловая АЧХ.
Т.е. они с неравномерностью в 2-3 дБ могут спокойно закрыть весь информативный диапазон от 400 до 4000 Гц.
Изменено: Анатолий Гаврилов - 30-01-2016 06:14:56
WWW.SAGA-SIBIR.COM.

Благословляю АЧХ. Кручу взглядом фазу. Режу полосы без скальпеля.Привораживаю бас. Дорого.
 
 
Что- то я не понимаю в теоретическом плане.Ликбез проведёте?
ФЧХ японцев в диапазоне частот от 70 до 20000 гц  "крутится"  от +90 до -90 градусов.
На низких частотах с фазой -вовсе чехарда с тройным переворотом
ФЧХ на Ваших фильтрах перекручивается в районе 2500 гц с +180 на -180 градусов.
Приэтом обе ФЧХ считаются линейными.
А что должно произойти с фазой чтобы она перестала быть линейной?
Если всё идёт хорошо, значит ты чего-то не заметил.
 
 
Цитата
Griroriy написал:
Я же не насчёт средне хайфайного, мёртвенького  звука. Такой, - формально ровный, не проблема.
Вот насчет "мёртвенького", формально ровного - тяну я тяну технари, вылизываю вылизываю,ровняю ровняю, потом переключаюсь на свою 3х полоску и .........япона мать! Да они же ничем не отличаются от моих! :o   Ну немного нч задраны и чуток мяса не хватает.

Это я к тому, что ровная АЧХ и в Африке ровная.  
WWW.SAGA-SIBIR.COM.

Благословляю АЧХ. Кручу взглядом фазу. Режу полосы без скальпеля.Привораживаю бас. Дорого.
 
 
Цитата
Анатолий Гаврилов написал:
ровная АЧХ и в Африке ровная
Микрофон слышит разницу, кроме звукового давления, когда  в спектре сшиты динамики с бериллием, алюминием, бумагой, шелком?
ЕдРо в ведро
 
 
Цитата
Podsh написал:
Что- то я не понимаю в теоретическом плане.Ликбез проведёте?
ФЧХ японцев в диапазоне частот от 70 до 20000 гц  "крутится"  от +90 до -90 градусов.
На низких частотах с фазой -вовсе чехарда с тройным переворотом
ФЧХ на Ваших фильтрах перекручивается в районе 2500 гц с +180 на -180 градусов.
Приэтом обе ФЧХ считаются линейными.
А что должно произойти с фазой чтобы она перестала быть линейной?
Разгружусь, чем имею :
фазовую кривую ниже 300 Гц на обоих графикам ломает по причине отсутствия безэховой камеры, метров так от 7-8, - в обычной комнате замеры АЧХ я могу обмануть поглощающими панелями, но вот замеры фазовой кривой не получается.
На моем фильтре, в районе 2.5 кГц ФЧХ не перекручивается с +180 на -180, а продолжает падать под своим углом - график то свернутый и если его продолжить вниз, то абсолютное падение фазовой кривой от 300 до 14 кГц составит 360 градусов. В 60-70х годах, прошлого века, предполагали, что акустическая ФЧХ, лежащая вдоль ноля графика, даст максимально качественное и достоверное воспроизведение, но более поздние исследования доказали, что тут важнее не угловое положение фазовой кривой, а её локальные колебания - вот они то, выходя на каком то участке диапазона за рамки дозволенного, в сочетании с неравномерностью АЧХ на этом же участке, дают рост группового времени задержки (ГВЗ), а оно четко было определено для диапазона нашей максимальной чувствительности ( от 400 до 4000 Гц) в 1-2 миллисекунды. Выше ГВЗ у АС может и к 0.5 мс снизиться, а вот в нижней части диапазона задержка сигнала иногда и под 10-15 мс подскочить.
Вот, для примера, ГВЗ, посчитанное прогой из АЧХ-ФЧХ смакетированного ориг.фильтра, курсор на 630 Гц отмечает задержку в 2.2 мс, ниже идет рост.

Т.е. ,проще говоря, не важен угол падения фазовой кривой, важна её ровная линия, которую запросто можно поломать неправильной сшивкой двух головок, типа как тут я зафильтровался :

 
WWW.SAGA-SIBIR.COM.

Благословляю АЧХ. Кручу взглядом фазу. Режу полосы без скальпеля.Привораживаю бас. Дорого.
 
 
Цитата
Андрей Любитель написал:
Микрофон слышит разницу, кроме звукового давления, когда  в спектре сшиты динамики с бериллием, алюминием, бумагой, шелком?
А микрофону монописуален материал подвижки - видит на индивидуальных замерах паразитные резонансы и радирует фильтру команду "жестко давить" - они же у нормального динамика лежат за пределами заявленного диапазона и нечего с ними церемониться. К примеру, СС-Ревелятор, с алюминиевой подвижкой, имеет большие паразиты выше кила и если я его потяну в 2х полоске на 3-3.5 кГц , то кто виноват будет? Не датчане же.
Если плохой "танцор" в своей супер-бюджетной 3х полоске не завалит поверху среднечастотник типа "а-ля люминь", то его резонансы явно вылезут на замере, вычислятся пытливой извилиной и подтвердятся замером отцепленного от остальных головок средника.

На инд.замерах материал подвижки виден по резонансам на краю диапазона, но микрофону интереснее другие показатели головки, например - скорость нарастания сигнала, длительность импульса и его хвост, а за это уже не материал диффузора отвечает, а общая конструкция динамика.
WWW.SAGA-SIBIR.COM.

Благословляю АЧХ. Кручу взглядом фазу. Режу полосы без скальпеля.Привораживаю бас. Дорого.
 
 
.Сила ночи -сила дня, мёртвая вода- живая вода....
Слова пусты, а то, что этих АСов в гавриловском обвесе Вы не слушали- это жирный факт.
Цитата
Griroriy написал:
А в искусстве,  каковым и является музыка, это особенно актуально.
Если всё идёт хорошо, значит ты чего-то не заметил.
 
 
Цитата
kryg написал:
согласен только с первым пунктом. Остальное явно надумано и  не объясняет суть явления.
Я всё просто объяснил, проще некуда - пока две головки находятся в пределах длины волны на частоте их сшивки, их совместная АЧХ будет достаточно ровной. Как только головки разведутся за эти пределы, а я в п.133 говорил о частоте в 3000-4000 Гц (длина волны в 11-8.5 см ), так сразу на частоте раздела начнутся большие проблемы - АЧХ одной из головок попрет в гору, а на стыке появится огромный провал шириной в пару-тройку сотен герц.
Проверяется это явление просто - на метре от АС микрофон, анализатор в реал-тайме и на минимальном усреднении, одна головка стационарно в корпусе, вторая в руках, рядом с первой ГГ и через 1-2 мкФ получает сигнал. Просто двигаю пальцами кисти и смотрю на расколбасы АЧХ. А ведь из этой АЧХ потом  фазовая кривая считается и целиком отвечает за "торкнуло".
WWW.SAGA-SIBIR.COM.

Благословляю АЧХ. Кручу взглядом фазу. Режу полосы без скальпеля.Привораживаю бас. Дорого.
 
 
Цитата
Griroriy написал:
вникнуть в то, что я написал.
А что такого -особо сокровенного- Вы написали?
В контексте того, что речь шла о конкретной модели АС с конкретными самопальными кроссами и с не менее конкретным букетом замеров "до" и "после"- Вы льёте воду о том, что у Вас есть заветный и эксклюзивный источник живой воды, оживляющий и животворящий.
И источником этим, дескать,  Гаврилов - ни в коей мере не владеет.
Вот примерно так это читается. Прошу прощения, если как-то криво вник в написанное Вами. :confuse:
Изменено: Podsh - 30-01-2016 16:22:18
Если всё идёт хорошо, значит ты чего-то не заметил.
Страницы: Пред. 1 ... 12 13 14 15 16 ... 159 След.
Архив Форума Hi-Fi.ru
По 23-5-2020
Портал Hi-Fi.ru более не предоставляет возможностей и сервисов по общению пользователей

1997—2026 © Hi-Fi.ru (Лицензионное соглашение)